收球率作為衡量電廠凝汽器膠球清洗PLC控制的一項重要指標導致收球率低原因分析
收球率作為衡量電廠凝汽器膠球清洗PLC控制的一項重要指標導致收球率低原因分析。隨著電廠單元機組規模的日趨大型化,對自動化水平的要求也越來越高。火力發電廠凝汽器膠球清洗控制系統的投運,可使熱力系統安全、經濟運行。
以F?-60MR可編程序控制器為核心組成的電廠凝汽器膠球清洗PLC控制系統,改善了以往分離元件控制系統安全、可靠性差的弱點,在現場實施中體現了以下優點:先是運算器、控制器、存儲器三大部件被簡化,輸入、輸出組件功能強。采用了多種用接口,以適應各種工業用途的控制對象。本控制系統使用了功能表圖、繼電器邏輯、符號語言、用語句等進行程序控制,編程直觀、易于掌握。可編程控制器以編程軟連接的方式,代替了大量的硬連接電器,從而簡化了電路結構,更具有在線修改功能。F?-60MR有36個輸入點、24個輸出點,可進一步擴充,多可擴至120點。
其次,可編程序控制器的一個優點是可靠性高。工業生產一般要求控制設備具有很強的抗干擾能力,能在惡劣環境下可靠地工作。F?-60MR在硬件上采用了模塊式結構,有利于查找故障并及時修復。此外還采用了隔離、屏蔽等防干擾措施,有較強的自診斷功能,可檢測出計算機的CPU、存儲器異常及程序錯誤等。
1膠球清洗工作原理及現場要求
電廠凝汽器水側換熱面上污垢的積聚,不僅惡化了真空,降低了汽輪機的熱效率,而且會引起銅管腐蝕、泄漏,嚴重時會威脅汽輪機的安全運行。尋求有效的方法防止凝汽器管側換熱面積聚污垢和在已結垢的情況下尋求理想的清洗方法,就成了各國動力工作者的一個課題。
電廠凝汽器膠球清洗的PIC控制系統可在機組運行過程中不需改變負荷的情況下進行工作,而且有能耗小、效果好,設備簡單、操作方便等優點。
電廠凝汽器膠球清洗系統如圖1所示。密度與水相近的海綿膠球(用天然橡膠或合成樹脂制成)裝人球室后,啟動膠球泵可以將膠球用比循環水壓力高的水流送入凝汽器水室。膠球直徑雖比銅管內徑大1~2mm,但因是多孔柔軟的彈性體,很容易被水流帶入銅管,并被壓縮成卵形。膠球在行進過程中抹去管壁上的污垢,流出管壁時,依靠自身的彈力彈掉表面的污垢,并隨循環水流人收球室,然后被膠球泵重新送人凝汽器。
圖1電廠凝汽器膠球清洗系統圖
現場既要求保證除垢效果,又要保證收球率,使其不低于90%。
2控制系統軟、硬件設計及調試
電廠凝汽器膠球清洗的PIC控制,其工作狀態可分為反洗態、清洗態、收球態及故障。控制系統出現故障(主要是執行機構)應立即采取必要的保護措施同時故障指示燈亮,待運行入員進行必要的維護后,消除設備故障,重新投入運行。
根據電廠運行需要,本設計具有手動、手控和程控三種方式。手控是對熱力系統進行由反洗(或清洗)狀態開始“反洗→清洗→一次收球→暫停→二次收球→反洗”的程序控制過程,啟動手控只進行一次循環,后回到反洗狀態。而根據現場情況可選擇程控運行方式,啟動按鈕后控制系統進行周而復始的循環。手動方式主要用于調試維修階段。各種運行方式的相互切換都可以在反洗或清洗狀態下進行。反洗、清洗及收球時間可根據運行入員要求通過編程器設定。
系統在程控或手控運行方式且處于清洗過程時,若出現收球網前后差壓越限,系統自動轉入收球狀態,進行反洗,這樣可以清除附在收球網上的污物.保護收球網。
控制框圖如圖2所示。圖中位置反饋信號到達時間是根據設備動作時間確定的,具體根據執行機構結合現場情況進行設定,如開關網計時器設定為90s。
圖2電廠凝汽器膠球清洗控制框圖
收球率作為衡量電廠凝汽器膠球清洗PLC控制的一項重要指標,是設計時必須考慮的問題。導致收球率低的原因主要有;①循環水中雜物多,這可以通過改善一、二次濾網來解決;②設備缺陷,如膠球經過的地方有死角、盲孔、串縫和回流區、銅管伸出管板過多或管壁有局部壓痕,收球網設計不當等,這些在選購安裝時應充分考慮;③清洗閥、出口閥、膠球泵的關停次序對收球率也有影響,順序、時間應結合實際情況進行選定。這樣才能達到良好的效果。
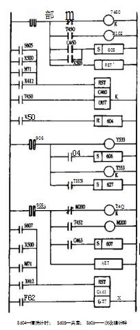
膠球清洗和反洗時間根據現場要求通常為幾十min甚至幾h,F?-60MR的定時器T大計時時間為999s,大約是16.5min。這樣滿足不了現場要求。本控制系統采用了計數器C與定時器T聯合計時的方法,計時范圍為999×999s,解決丁計時時間問題(見圖3)。另外,F?-60MR的定時器可以重復使用,只要正確送入K值即可。
硬件上,可編程控制器的9路輸入用作執行機構的位置反饋信號,16路輸入作為手動控制信號及試燈.系統復位、差壓報警、手程控選擇等。輸出4路作圖3清洗及一次收球計時梯形圖為運行狀態指示,另外10路是位置指示,剩下10路是指令輸出。收球網位置反饋比較特殊,反饋信號間斷送出,使狀態容易混亂,所以在此加了一個定時器T554。
可編程序控制器F?-60MR在電廠凝汽器膠球清洗系統中的運行,效果好,充分顯示出其功能較強、構造簡單、可靠性高等特點。系統運行情況良好,狀態正常,達到了預期目的。
在運行過程中發現,現場對電廠凝汽器膠球清洗的PLC控制的投運是定時定次的,也就是根據熱力系統結垢程度定時定次數啟動。這樣在今后設計中就可以把手控、程控合二為一。設定一個循環次數就可滿足要求。